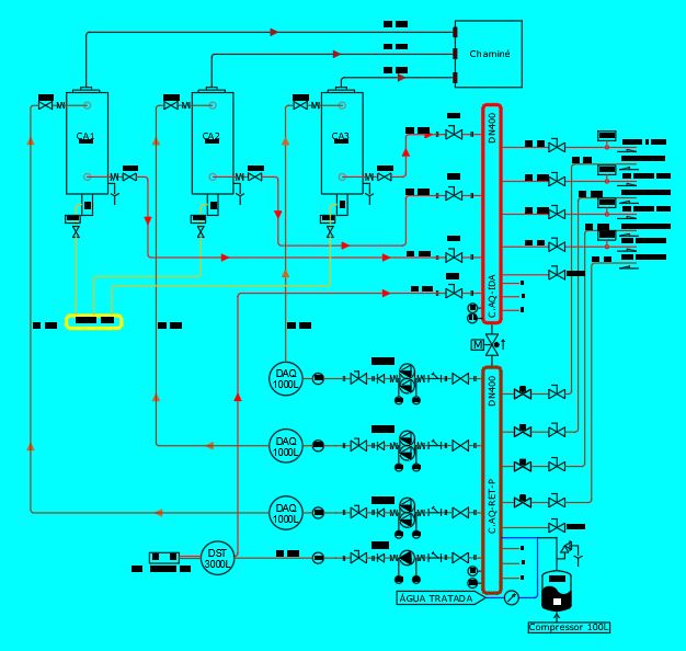
CHLUC em Lisboa
Reabilitação dos Hospitais Curry Cabral Estefânia, Maternidade Alfredo Costa
Reabilitação dos Hospitais Curry Cabral , Dona Estefânia e Maternidade Alfredo da Costa
Unfortunately your browser is not supported.
It is highly recommended that you upgrade to a modern browser such as the latest versions of Google Chrome, Firefox or Internet Explorer.